Comparatore a leva bimillesimale ALPA
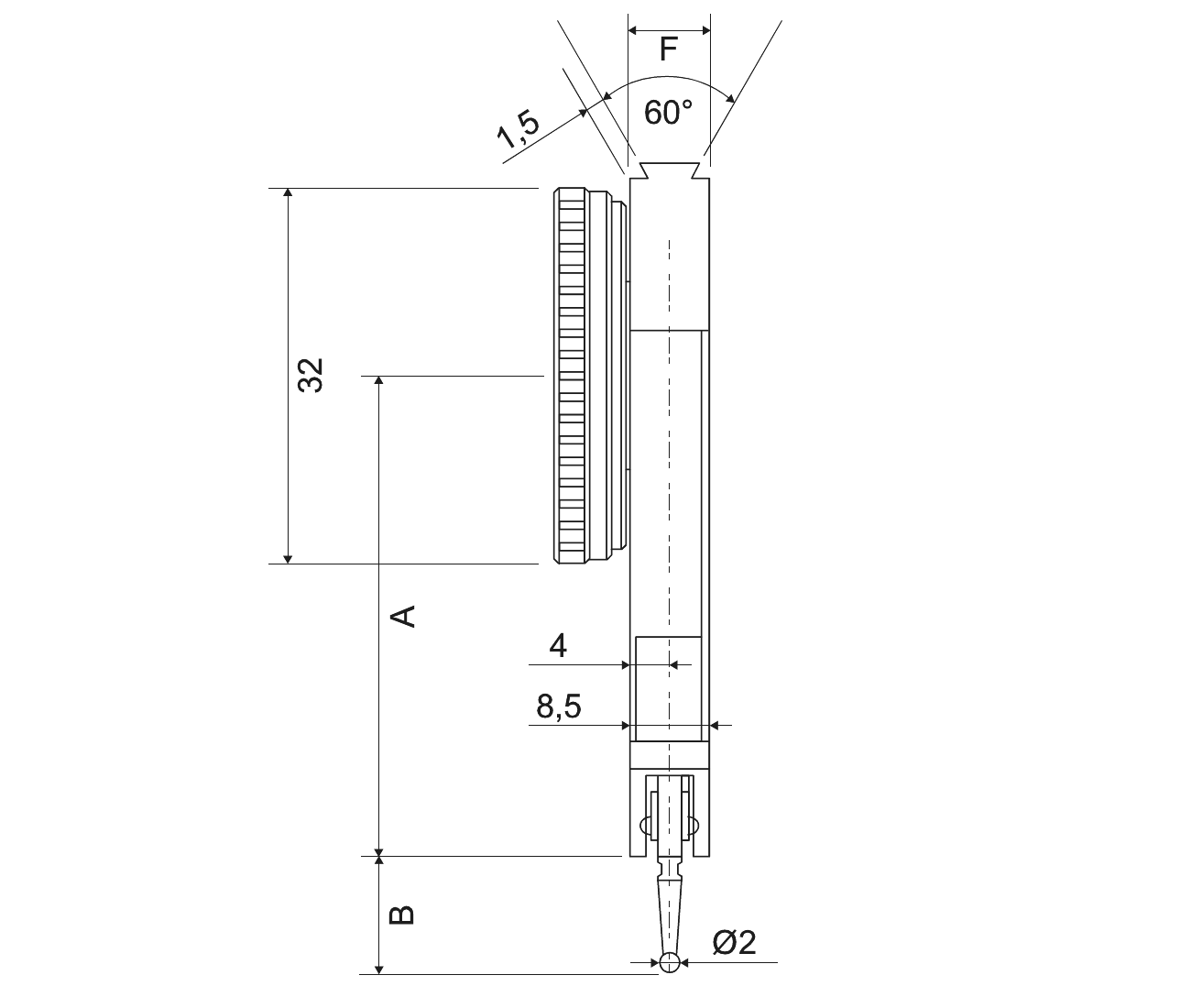
Caratteristiche- Risoluzione 0,002
- Conforme a DIN 2270B
- Filetto M1,6
Funzioni
Variazioni
Codice
Corsa mm
Risoluzione mm
Lettura quadrante
CB0640,2
Corsa mm
0 ÷ 0,2
Risoluzione mm
0,002
Lettura quadrante
0 - 100 - 0
Richiedi informazioni
Compila i campi sottostanti per avere informazioni riguardo questo prodotto

