Tastatore per rugosimetro LA251LITE ALPA
Caratteristiche- Per misurare in punti di difficile accesso o con profili particolari è possibile montare tastatori speciali
- Nella pagina sono illustrati i più utilizzati
- Possono essere progettati e realizzati tastatori specifici per esigenze particolari
Funzioni
Variazioni
Codice
Descrizione
LA252BATT
Descrizione
Batteria ricaricabile 2,4V-750 MA
LA252CBATT
Descrizione
Caricabatterie
LA252PR100
Descrizione
Prolunga 100 mm
LA252PR50
Descrizione
Prolunga 50 mm
LA252016
Descrizione
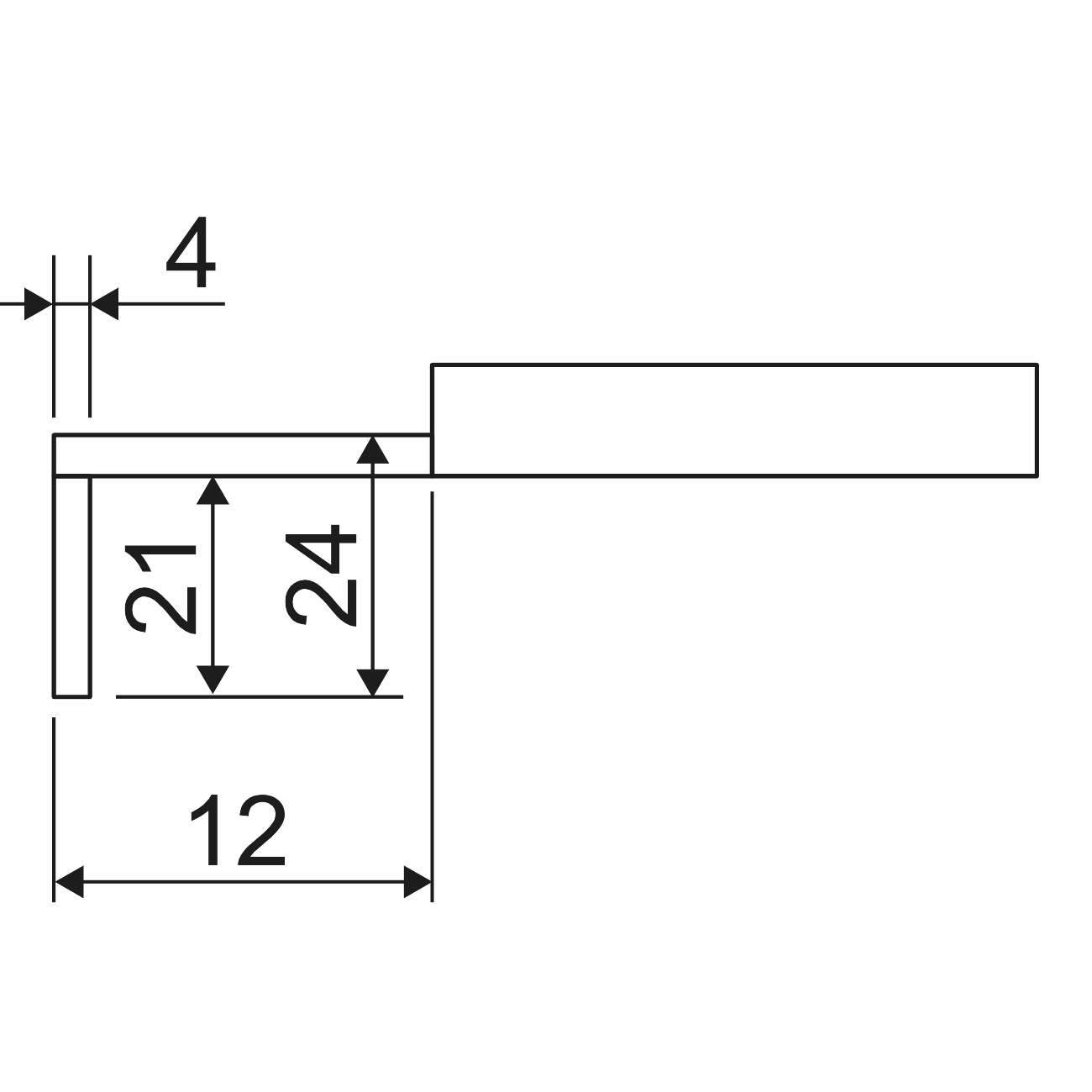
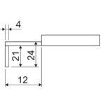
Tastatore SB21 per superfici piane, gole e spallamenti
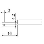
LA252022
Descrizione
Tastatore SB31 per piani e fori Ø min. 4mm e prof. max 20mm
LA252024
Descrizione
Tastatore SB121 per gole e scanalature max 20 mm
LA252090
Descrizione
Tastatore SB51 standard per superfici 90°
Richiedi informazioni
Compila i campi sottostanti per avere informazioni riguardo questo prodotto







