
Digital readout thickness gauge ALPA BA440
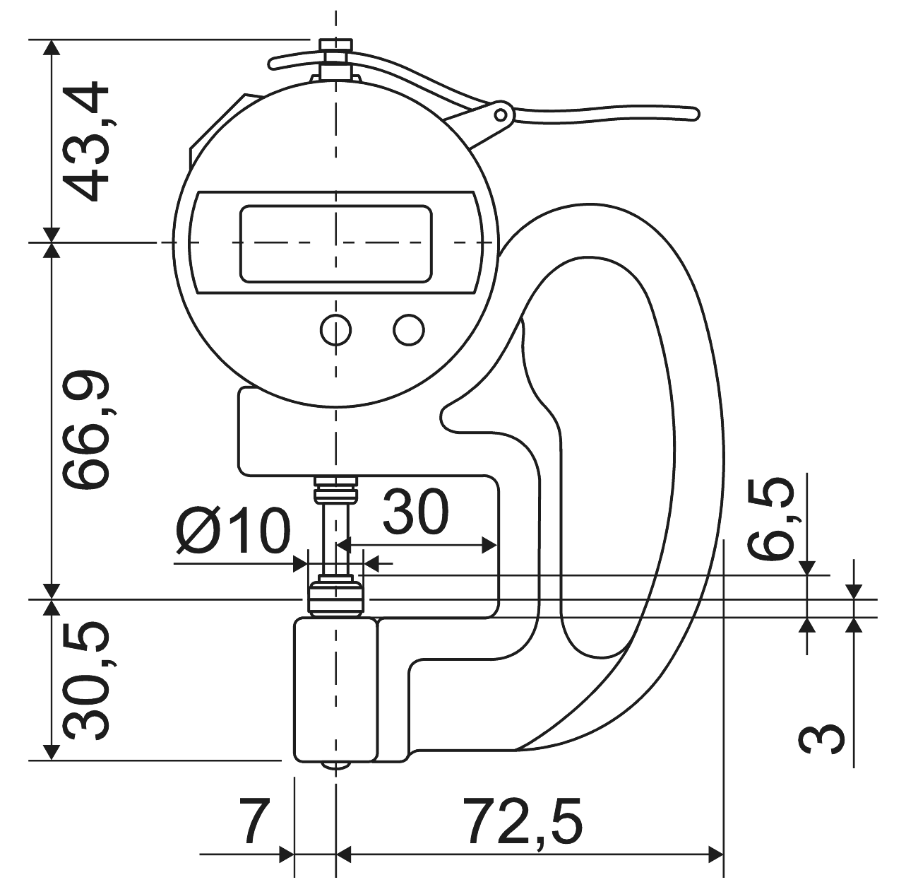
Characteristics- Strong and light weight frame, useful for fast and high accuracy measurement on many materials surfaces. Digimatic electronic output, lapped measuring surfaces, Ø 10 mm flat contacts (standard). Special contacts and 25 mm measuring range on request, absolute and relative measures. Measuring Range 12 mm.
Codes BA4400150 and BA44001115 only available with ON/OFF and ZERO functions.
Function
- ON/OFF:
- Zero:
- ABS:
- Preset:
- Sleep:
- Hold:
Variations
Code
Range mm
Accuracy µm
Risolution mm
Measuring power N
Frame mm
BA4400150
Range mm
0 ÷ 12
Accuracy µm
± 20
Risolution mm
0,01
Measuring power N
1,3
Frame mm
50
BA44000150
Range mm
0 ÷ 12
Accuracy µm
± 3
Risolution mm
0,001
Measuring power N
5
Frame mm
50
BA44001115
Range mm
0 ÷ 12
Accuracy µm
± 20
Risolution mm
0,01
Measuring power N
3
Frame mm
115
Request information
Fill in the fields below to get information about this product